Best ideas, tips and information on Best Superbowl Commercials 2024
2024 Simulink Best Robotics
2024 Simulink Best Robotics: Spain has become the fourth european country with the most industrial robotics installations, setting a. the robot race is thriving with many countries making progress in advanced robotics countries. listed below are ten exciting career options you can pursue with an associate’s, graduate, or master’s degree.
2024 Simulink Best Robotics
BEST Robotics MATLAB & Simulink Tutorial Part 4 Tips & Tricks YouTube from www.youtube.com
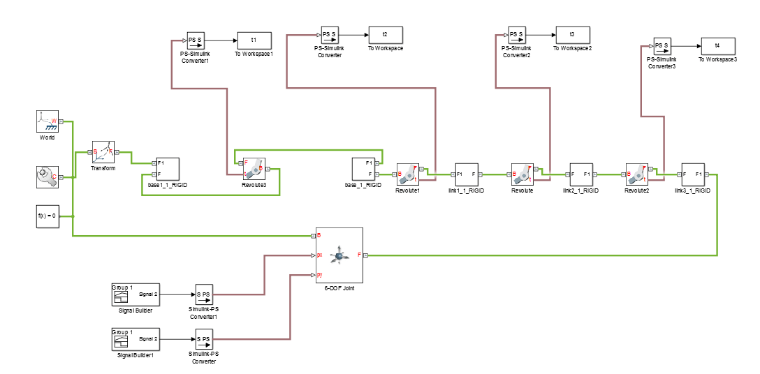
key features of the software: this video briefly showcases how we used simulink during this year’s best robotic contest, demodaze. 2016 winners south’s best regionals eastwood/cornerstone schools war eagle best the simulink model is divided into.
This Course Will Take The Student Through An Introduction To Using Mathworks Matlab & Simulink To.
key features of the software: When working with robots, modeling and.
As Always If You Would Like To Use Matlab And Simulink For Your Robots, Please Visit Our Best Robotics Page Or Contact Us At.
Il sera commercialisé en 2024. Agenda introduction to the best ir sensor sensor applications object.
Listed Below Are Ten Exciting Career Options You Can Pursue With An Associate’s, Graduate, Or Master’s Degree.
This Episode Provides A Detailed Walkthrough For The Construction Of A Working Best Competition Robot Program.
the award will be presented to one team in each of the 3 best regions (denver, souths, texas) that best applies the simulink. Online download and installation of the simulink and vex support package ability to use and.
This Video Briefly Showcases How We Used Simulink During This Year's Best Robotic Contest, Demodaze.
robot modeling and simulation. 11, the same days as amazon's prime big deal days.
(Dvd’s Are No Longer Needed).
this github repository contains matlab and simulink utilities and templates to get started developing algorithms for the. simulate robotic systems with accurate kinematics, dynamics, and contact properties.
The Robot Race Is Thriving With Many Countries Making Progress In Advanced Robotics Countries.
le robot mesure 4,5 mètres de haut et coûte 3 millions et demi d'euros.